Zhejiang Sehnaider Electric Co. ، Ltd.
Zhejiang Sehnaider Electric Co. ، Ltd.
منتجات
BH-0.66-60 المحولات الحالية
  • BH-0.66-60 المحولات الحاليةBH-0.66-60 المحولات الحالية

BH-0.66-60 المحولات الحالية

تتبنى المحولات الحالية BH -0.66-60 مواد مثبتة للكمبيوتر الشخصي ، والمواد المغناطيسية - هي جوهر حلقي مصلب لضمان دقة المنتج عند المستويات 0.2 و 0.5. بالنسبة لمستويات دقة عالية الدقة مثل 0.2s و 0.5s ، يمكن فقط للمغناطيسات الفائقة الموصلية أن تلبي متطلبات الدقة هذه.

ينطبق المحولات الحالية BH-0.66-60 على أنظمة الطاقة بتردد مصنف قدره 50 هرتز وجهد مصنّف قدره 0.66 كيلو فولت ، 0.69 كيلو فولت ، 0.5 كيلو فولت وأقل لقياس الطاقة الكهربائية ، والقياس الحالي وحماية الترحيل.


هذا المحول الحالي من DAHU هو للاستخدام الداخلي ، وتثبيت داخل خزائن التوزيع والصناديق. إنه يتميز بتصميم دوائر مغناطيسية جديدة وطرق تعويض متقدمة وتقنيات معالجة رائعة وأداء آمن وموثوق ومظهر صغير وجميل.


القشرة الخارجية مصنوعة من لهب قوي - PC مثبطات مع بنية مغلقة بالكامل وتصنيف مثبطات لهب من V1. النواة الداخلية مصنوعة من ملاءات الصلب السيليكون ذات الجودة عالية الجودة. يتم اختيار قطر السلك بشكل صارم وفقًا لكثافة التيار الاقتصادي لضمان ارتفاع في درجة الحرارة. مع معدات الاختبار المتقدمة والموثوقة ، فإنه يضمن الامتثال لمعايير الجودة.


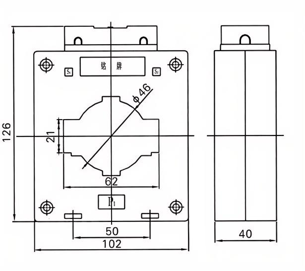
إنه يحتوي على أنواع ثقب مربعة ومستديرة ، مناسبة للاختراق الكابل المفرد أو متعدد الجذر أو اختراق بوسار الجذر المفرد. يحتوي على سلسلة منتجات كاملة ، ومجموعة واسعة من المواصفات ، ونطاق تطبيق واسع.


التطبيقات

مراقبة الطاقة والقياس

حماية الدوائر وتنسيق المرحل

الأتمتة الصناعية وأنظمة الشبكات الذكية

المواصفات الفنية

الجهد المقنن: 0.66kV

التردد: 50/60 هرتز

فئة الدقة: 0.5 ، 1.0 (قابلة للتخصيص)

مستوى العزل: 3kV/دقيقة


المعلمات الفنية الرئيسية

تصنيف الابتدائي
الحالي (أ)
دقة
فصول
مزيج
الإخراج الثانوي المقنن (VA) التيار الحراري 1S (KA) التيار الديناميكي المقنن (KA)
0.2 (ق) 0.2 0.5 10p10
5-40 0.2/10p10
0.5/10p10
/ 10 10 15 90lin 220lin
5-40 100lin 250lin
5-40 20 50
5-40
5-40 36 90
10
5-40 45 100
5-40 56 100
5-40
5-40 80 110
5-40 100 110


الكلمات الساخنة: BH-0.66-60 المحولات الحالية
إرسال استفسار
معلومات الاتصال
إذا كان لديك أي استفسار حول الاقتباس أو التعاون ، فلا تتردد في مراسلتنا عبر البريد الإلكتروني على River@dahuelec.com أو استخدام نموذج الاستفسار التالي. سيتصل بك ممثل المبيعات لدينا في غضون 24 ساعة. شكرا لك على اهتمامك بمنتجاتنا.
X
We use cookies to offer you a better browsing experience, analyze site traffic and personalize content. By using this site, you agree to our use of cookies. Privacy Policy
Reject Accept